#global.skipToContent# #global.skipToSearch# #global.skipToNav#

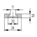
Luftfartøjets surringsskinne aluminium L 2998 mm boret, B 34 mm, H 9,6 mm

Fastgøringsskinner til flyselskab Alu L 2998 mm

Type 
793,77 kr.
inkl. 25% Moms , plus Forsendelse